search
f
แขวงทางหลวงอุทัยธานี
Uthaithani Highway District
วิสัยทัศน์ : "พัฒนาโครงข่ายและบำรุงรักษาทางหลวงให้เป็นไปตามมาตรฐานสากล เพื่อตอบสนองประชาชนผู้ใช้ทางให้ได้รับความสะดวก รวดเร็ว และปลอดภัย”
หน้าแรก
เกี่ยวกับหน่วยงาน
ประวัติหน่วยงาน
อัตรากำลังและเจ้าหน้าที่
โครงสร้างบุคลากรหน่วยงาน
ภารกิจและหน้าที่ความรับผิดชอบ
ถนนทางหลวงในความรับผิดชอบ
facebookแขวงทางหลวงอุทัยธานี
ติดต่อหน่วยงาน
หมวดทางหลวงในสังกัด
หมวดทางหลวงอุทัยธานี
หมวดทางหลวงหนองฉาง
หมวดทางหลวงสว่างอารมณ์
หมวดทางหลวงบ้านไร่
หมวดทางหลวงลานสัก
บริการทางหลวง
คู่มือประชาชน
ร้องเรียนร้องทุกข์
สอบถามระยะทาง
เส้นทางแนะนำช่วงเทศกาล
โครงการกิจกรรมทางหลวงปลอดภัยขับขี่สบายตา
พระราชบัญญัติทางหลวง พ.ศ.2535
พระราชบัญญัติทางหลวง (ฉบับที่2) พ.ศ.2549
E-Service กรมทางหลวง
KMกรมทางหลวง
กฎหมายควบคุมน้ำหนักของรถบรรทุก
ขายทอดตลาด
สมัครงาน
วิสัยทัศน์ : "พัฒนาโครงข่ายและบำรุงรักษาทางหลวงให้เป็นไปตามมาตรฐานสากล เพื่อตอบสนองประชาชนผู้ใช้ทางให้ได้รับความสะดวก รวดเร็ว และปลอดภัย”
หน้าแรก
/
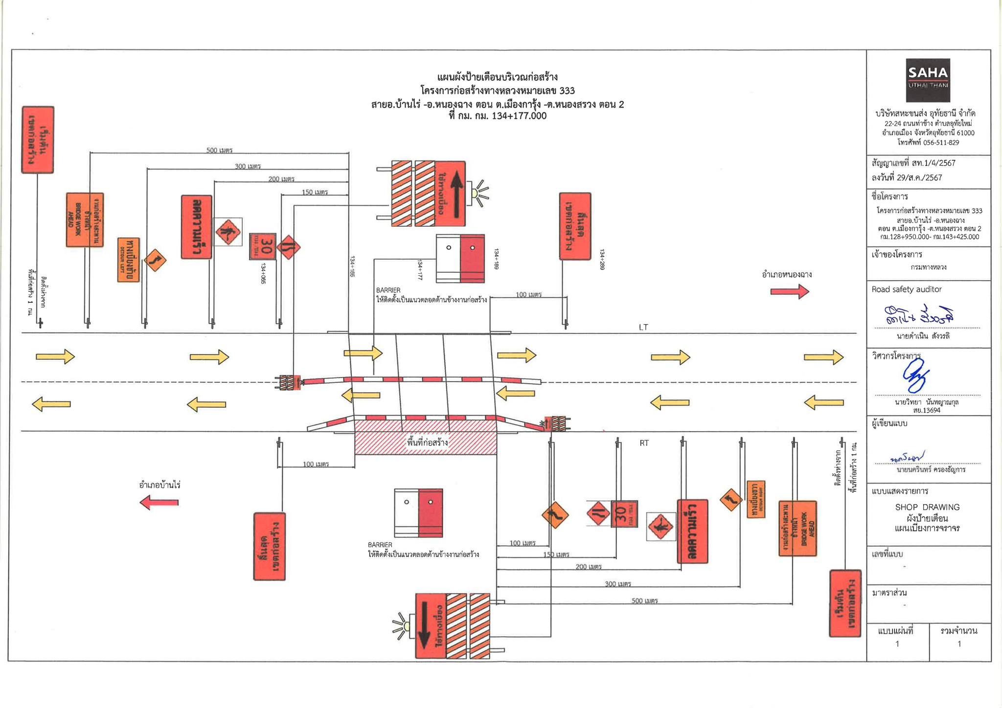
ข้อมูลข่าว : ประชาสัมพันธ์การเปิดทางเบี่ยง โครงการก่อสร้างทางหลวงหมายเลข 333 สาย อ.บ้านไร่ – อ.หนองฉาง ตอน เมืองการุ้ง – ต.หนองสรวง
ประชาสัมพันธ์การเปิดทางเบี่ยง โครงการก่อสร้างทางหลวงหมายเลข 333 สาย อ.บ้านไร่ – อ.หนองฉาง ตอน เมืองการุ้ง – ต.หนองสรวง
ลงวันที่ 24/01/2568
เนื่องด้วย สำนักก่อสร้างทางหลวงที่ 1 โครงการก่อสร้างทางหลวงหมายเลข 333 สาย อ.บ้านไร่ – อ.หนองฉาง ตอน เมืองการุ้ง – ต.หนองสรวง ตอน 2 จะดำเนินการก่อสร้างสะพาน จึงขอประชาสัมพันธ์ให้ผู้ใช้รถใช้ถนน ประชาชน ชุมชน ท้องถิ่น หน่วยงานได้รับทราบเพื่อความสะดวกและปลอดภัย โดยจะทำการเปิดทางเบี่ยง 3 ช่วง ดังนี้1.ทางเบี่ยงช่วง กม.129 + 324 – กม.129 + 585 (ซ้ายทาง) เพื่อดำเนินการก่อสร้างสะพาน ช่วง กม.129+454.800และทำการเปิดทางเบี่ยงด้านซ้ายทาง ในวันที่ 23 มกราคม – 30 พฤษภาคม 25682.ทางเบี่ยงช่วง กม.132 + 704 – กม.132 + 934 (ซ้ายทาง) เพื่อดำเนินการก่อสร้างสะพาน ช่วง กม.132 + 819.000และทำการเปิดทางเบี่ยงด้านซ้ายทาง ในวันที่ 30 มกราคม – 30 พฤษภาคม 25683.ทางเบี่ยงช่วง กม.134 + 065 – กม.134 + 289 (ซ้ายทาง) เพื่อดำเนินการก่อสร้างสะพาน ช่วง กม.137 + 177และทำการเปิดทางเบี่ยงด้านซ้าย ในวันที่ 5 กุมภาพันธ์ – 30 พฤษภาคม 2568
'
Copyright © 2017 Department of Highway. All Right Reserved.
Total Visitor: 88,404 Today's Visitor: 358